邮箱:eric-optics@szxal.com
电话:189-9433-5514
首页
关于我们
产品展示
解决方案
服务与支持
新闻动态
联系我们
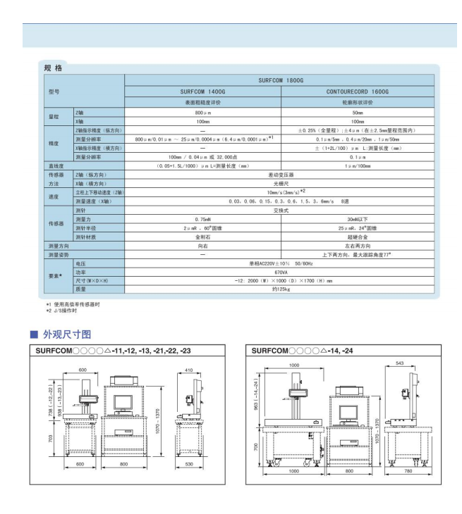
产品简介:
测量效率高可操作性性强
189-9433-5514
联系人:周经理
0512-36607592
Copyright © 2021 苏州芯艾蓝光电材料有限公司 苏ICP备18008098号-2